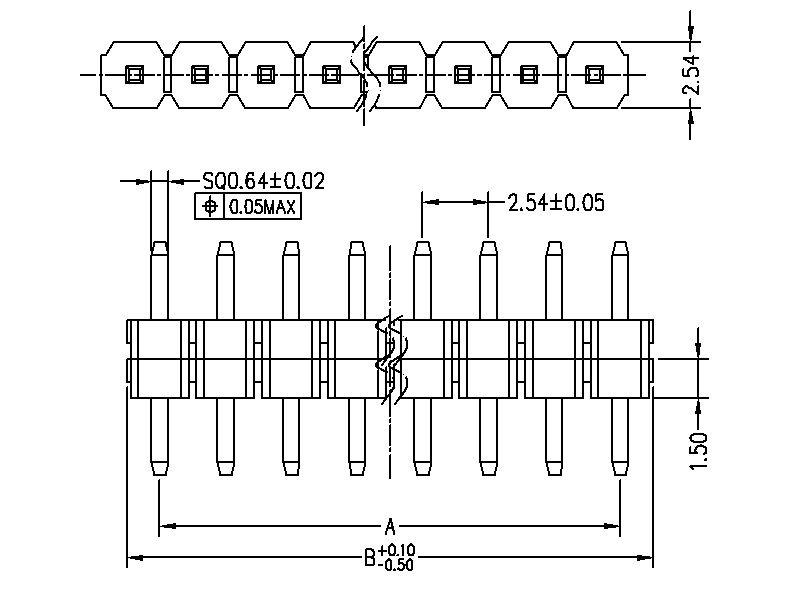
2.54MM (0,1'') PLOT PIN HEADER
SPECIFICATION
MATERIALS (CONTACT): aliaj de cupru, aur sau staniu (pestenichel) finisaj
MATERIALS (Incinte): standard sau High Temperature din material plastic, evaluat la UL94V-0
CURRENT: 3A pentru fiecare contact
MAXIMUM TENSIUNE: 800V AC, 500V DC
Contactați REZISTENȚĂ: 30 mΩ\\ Vmax
INSULATION REZISTENȚĂ: 1,000mΩmin
OPERATING TEMPERATURA:40-℃pentru 105℃
DURABILITY: 300 de cicluri de împerechere (aur) sau 50 de cicluri de împerechere (staniu)
DRAWINGS
Ce&39;? s Pin Header#
pin antetul este un fel de conector electric. Noi de obicei abreviat ca pH-ul sau antet simplu,și au reputația de connectors.This universale tip de conector este utilizat pe scară largă în plăcile cu circuite PCB în electronică, aparate electrice, și contoare.
Ce&39; s funcția de pin antet funcției#
ițiis să funcționeze ca o punte între circuitele blocate sau izolate? în placa de circuit PCB, și responsabil pentru transmiterea curent sau a semnalului.
Ce sunt HRE modele de antet PIN-ul?
Există sunt multe tipuri de antete pinilor, care sunt clasificate în conformitate cu standardele în industria electronică pentru a satisface diferite care aunevoie. Conform spațiului, acesta poate fi împărțit aproximativ în 2,54 mm (0,1 in), 2,0 mm (0,079 in), 1,27 mm (0,05 in), 1,04m (0,04 in), 0,8 mm (0,03 in). Distanța dintre pini este denumită în mod obișnuit în comunitatea electronică. Potrivitnumărului de rânduri, există un singur rând, dublu rând, trei rânduri etc. În conformitate cu utilizarea pachetului, există patch-uri SMT (suprafațămount tehnology versiune) și plug-in dip (PIN prin dispozitiv de gaură),-Printre ele, anteturile PIN-urilor SMT pot fi împărțite în antetul pinului orizontal și antetul pinului vertical, iar tipurile de dip pot fi împărțite în antetul pinului de inserție și încorporarea încorporării. Pe lângă asta, l-am împărțit în trei tipuri în funcție de metoda de instalare, 180 ° instalare este reprezentat de S"90 ° instalare este reprezentat de"W"și instalarea SMT este reprezentată de"T"."
Ce&39; s domeniul de aplicare a antet PIN#
Application gama: echipamente de prelucrare a datelor, Computer , echipamente de program de control, echipamente de măsurare electronice, Aparatura de regulare automatică, echipamente de automatizare, echipamente de comunicații, etc

nume: Haimei Liang
Denumirea funcției: sales manager
Departament: Sales Department
Telefonul companiei: +86 0769 83450370
E-mail: Contacteaza-ne
Telefon mobil: +86 18929181819
website: dgwin.romb2b.com
Adresa: No.67,Dongshen Road,Qiaotou Town,Dongguan City,China